logo

标准概述

VW 80000:2021

VW 80000:2021是大众汽车集团制定的电子电气部件测试标准,包含E-01至E-24共24项测试项目,覆盖了电子电气部件在各种电压条件下的性能测试要求。

MBN LV124-1 2013

MBN LV124-1 2013是梅赛德斯-奔驰制定的电子电气部件测试标准,包含E-01至E-22共22项测试项目,与VW 80000:2021标准在测试项目设置上有较多相似之处,但在具体参数要求上存在差异。

绿测科技的电性能测试解决方案支持VW 80000:2021和MBN LV124-1 2013等标准测试,可实现标准间的快速切换。

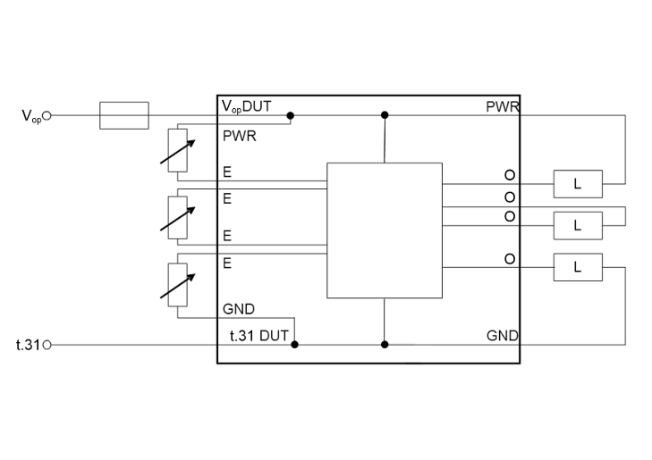
PTS系列VectWorks电性能测试系统

PTS系列VectWorks电性能测试系统

测试项对比表

序号 测试项 VW 80000:2021 MBN LV124-1 2013 差异说明
E-01 长时间过电压 13.5V-17V,0.35V/ms 13.5V-17V,0.35V/ms 无差异
E-02 瞬态过电压 16V-18V,2V/ms 16V-18V,2V/ms 无差异
E-03 瞬态欠电压

9V-10.8V,1V/ms

循环次数:10

DUT数量:无要求

增加E-03b测试

9V-10.8V,1V/ms

循环次数:3

DUT数量:至少6个

关键差异
E-04 跨接启动 0V-26V,13V/ms 10.8V-26V,1.52V/ms 参数差异
E-05 抛负载 13.5V-27V,6.75V/ms 13.5V-32V,9.25V/ms 参数差异
E-06 叠加交流电压

15Hz-200kHz/6Vpp

三角/对数扫频

循环15次

Ri≤100mΩ

15Hz-30kHz/6Vpp

三角/对数扫频

循环15次

Ri≤100mΩ

关键差异
E-07 供电电压的缓降和缓升

0V-Vopmax

0.5V/min下降,瞬时上升

DUT数量:3个

0V- UBmax

0.5V/min下降,瞬时上升

DUT数量:至少6个

参数差异
E-08 供电电压的缓降和急升 0V-Vopmax,32V/s 0V- UBmax,32V/s 无差异
E-09 复位特性

0V-Vopmin,0.98V/ms

ΔV1=0.5V,ΔV2=0.2V

DUT数量:3个

0V-UBmin,0.98V/ms

ΔU1=0.5V,ΔU2=0.2V

DUT数量:至少6个

参数差异
E-10 短时中断

11V

10us-100us:10us

100us-1ms:100us

1ms-200ms:1ms

200ms-2s:100ms

开关切换时间:≤0.1*增量

11V

测试序列细化:

10us-100us:10us

100us-1ms:100us

1ms-10ms:1ms

10ms-100ms:10ms

100ms-2s:100ms

开关切换时间:≤0.1*t1(测试序列时间)

参数差异
E-11 启动脉冲

3.2V-11V,7.8V/ms

在直流电压上叠加2Hz/2Vpp交流扰动信号

热启动:无接地端要求

3.2V-11V,7.8V/ms

在直流电压上叠加2Hz/2Vpp交流扰动信号

热启动:t50≥10ms

参数差异
E-12 电气系统控制的电压波形

11.8V-16V,10.5V/s

Vmax=16V-ΔV

电压变换时间:400ms

11.8V-15V,10.7V/s

Umax=15V-ΔV

电压变换时间:≥300ms

参数差异
E-13 引脚中断

case 1:中断时间10s;

case 2:每个pin进行4000次中断

case 1:中断时间10s;

case 2:每个pin进行4000次中断

无差异
E-14 连接器中断 / / 无差异
E-15 反极性 -14V-10.8V,1.48V/ms -14V-10.8V,1.48V/ms 无差异
E-16 接地电位差

14V,±1V

测试时间:≥60s

UB,±1V

测试时间:无要求

参数差异
E-17 信号线和负载电路短路

Vopmin,Vopmax

4个测试用例

UBmin,UBmax

3个测试用例

关键差异
E-18 绝缘阻抗 500V 500V 无差异
E-19 静态电流

12.5V

特定阈值:≤100或200uA

测试时间:温度区间不同,测试时间不同,60/90/240/270/360min

12.5V

理想值为0mA

测试时间:无要求

参数差异
E-20 介电强度

AC500V/50Hz/sin

测试点:需商定

AC500V/50Hz/sin

测试点:明确测试点位

参数差异
E-21 反向馈电

0.2V-Vopmax

待测端子电压必须在开关断开后20ms内降至1V以下

2个测试用例

0.2V-UBmax

待测端子电压必须在开关断开后20ms内降至1V以下

1个测试用例,且新增对测试端子的试验要求

关键差异
E-22 过电流

IN≤10A:Itest=3×IN

IN>10A:Itest=2×IN(30-150A)

Iblock>3×IN:Itest=Iblock

IN≤10A:Itest=3×IN

IN>10A:Itest=2×IN(30-150A)

Iblock>3×IN:Itest=Iblock

无差异
E-23 多路供电电压的均衡电流

±32V

均衡电流不超过100uA

关键差异
E-24 开关耐久性试验

12V:Vopmin,Vop,Vopmax

other:48V,HVAC,HVDC

关键差异

关键差异分析

E-03 瞬态欠电压

E-03波形图

VW 80000:2021增加E-03b测试,模拟部件的电压在瞬间跌落至6V后恢复到正常工作电压的场景。

VW 80000:2021

E-03b:6V-10.8V,1V/ms

MBN LV124-1 2013

无此要求

E-06 叠加交流电压

E-06波形图

VW 80000:2021要求200kHz/6Vpp的纹波电压测试,而MBN LV124-1 2013仅要求30kHz/6Vpp。

VW 80000:2021

f1~f3:15Hz-30kHz/6Vpp

f4:30kHz-200kHz/1Vpp

MBN LV124-1 2013

f1~f3:15Hz-30kHz/6Vpp

f4:无此要求

E-17 信号线和负载电路短路

E-17波形图

VW 80000:2021和MBN LV124-1 2013要求的测试用例和测试方法存在差异。

VW 80000:2021

4个测试用例,GND只短接到t.30(蓄电池正极)

MBN LV124-1 2013

3个测试用例,每个引脚交替短接到UB和GND

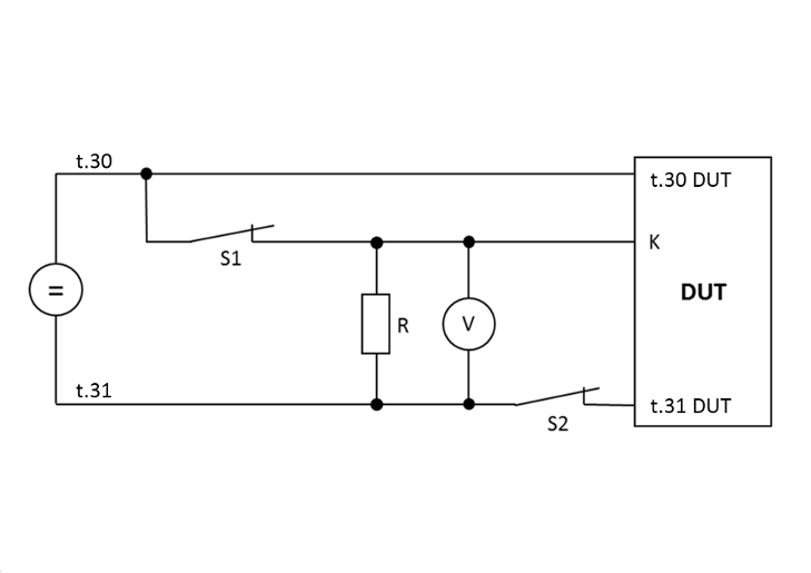
E-21 反向馈电

E-21波形图

MBN LV124-1 2013无case2测试用例,但在试验要求上更为严苛。

VW 80000:2021

2个测试用例:

case1:S1断开,S2闭合

case2:S1、S2断开

MBN LV124-1 2013

1个测试用例,case2:无此要求

试验要求:测试端子电压回馈必须在断开后20ms内达到最大值1V

E-23 多路供电电压的均衡电流

E-23波形图

VW 80000:2021增加多路供电电压的均衡电流测试,MBN LV124-1 2013无此测试。

VW 80000:2021

±32V,均衡电流不超过100μA

E-24 开关耐久性试验

E-24波形图

VW 80000:2021增加开关耐久性试验,而MBN LV124-1 2013无此测试。

VW 80000:2021

12V:Vopmin,Vop,Vopmax

other:48V,HVAC,HVDC

PTS系列VectWorks电性能测试系统

标准支持

  • ISO 16750-2:2023
  • VW 80000:2021
  • MBN LV124-1 2013
  • ISO 21780:2020
  • GB/T 45120-2024
  • MBN LV148 2013
  • ......

绿测科技PTS系列电性能测试系统由PTS系列电源系统、抛负载模块(可选)、微中断模块(可选)等设备组成,是一款模块化、高精度的专业测试平台,专为汽车零部件的电性能测试而设计。

高集成度设计

高集成度设计

软硬件一体化

软硬件一体化

多标准兼容

多标准兼容

易于扩展

易于扩展

VectWorks系统
VectWorks软件

VectWorks电性能测试软件

VectWorks电性能测试软件是绿测科技基于GtestWorks自动化测试平台而开发的一款软件,其引擎基于动态测试脚本执行,这种基础架构便于轻松、直接配置测试序列,无需关心如何远程控制仪器的特定知识,只需配置所要测试的项目及试验等级,具备很高的灵活性。

软件为用户提供符合标准的测试模版,可进行远程参数设置、数据获取、波形编辑、配置导入导出、报告查看等等,实现复杂测试的自动化。

核心功能

  • 闭环动态测试

    闭环动态测试

    集成实时监控与动态反馈机制

  • 高低压叠加纹波测试

    高低压叠加纹波测试

    遵照标准校验要求(含纹波Upp、Ipp监控)

  • 电源与功放架构

    电源与功放架构

    兼容双极性电源与功放架构方案

VectWorks软件界面

寻找更多销售、技术和解决方案的信息?

联系我们
联系电话: 020-2204 2442
邮箱:Sales@greentest.com.cn
微信客服二维码