新闻资讯
工业级 LoRaWAN 无线输入/输出模块 WISE-4610P-NA是基于 S617T 插件 I/O,以下将介绍如何检查其属性与功能,和如何配置并将其添加到 The Things Stack 私有 LoRaWAN 网络。作为设置的一部分,Advantech 的 WISE Studio 软件实用程序将用于配置,和通过 USB 与 WISE-4610 通信。

硬件
◆ Advantech WISE-4610P-NA5
◆ 先进工业 LoRa/LoRaWAN 无线输入/输出模块
◆ Advantech WISE-S617T-A
◆ 模块化物联网输入/输出模块,与 WISE-4600 系列配对,包括 2AI/2DI/1DO 和 1RS-485
软件
◆ Advantech WISE Studio
◆ WISE-Studio是配置 WISE 模块的工具。该软件提供了一个基于 web 的界面,对于不同的型号是相似的。对于通过以太网、LAN 或 WLAN 配置的 WISE 模块,WISE-Studio可以与 WISE 模块的内部 web 服务器通信。对于通过 USB 配置的模块,WISE-Studio 在安装了该软件的计算机上执行 web 服务器。web 服务器通过USB 接口与 WISE 模块通信。
◆ The Things Stack
◆ 是一个企业级 LoRaWAN 网络服务器,建立在开源核心之上。The Things Stack 允许你在自己的硬件或云中构建和管理 LoRaWAN 网络。
背景和拆箱
Advantech 的 WISE-4610 有多个输入/输出选项,以插件模块的形式连接到4610的基础。输入/输出选项包括模拟输入(电流或电压),数字输入/输出,RS-485和开关输出电压。本项目使用的硬件包括WISE-4610P-NA和WISE-S617T模块。
打开 WISE-4610P-NA,可以看到 WISE-4610, 868/915 MHz天线,DIN安装底座和用于固定插入式输入/输出模块的螺丝,如下图所示。

打开 WISE-S617T 模块,可以看到插件模块和 S617 贴纸(描述 S617T 输入/输出类型),用于连接到WISE-4610。

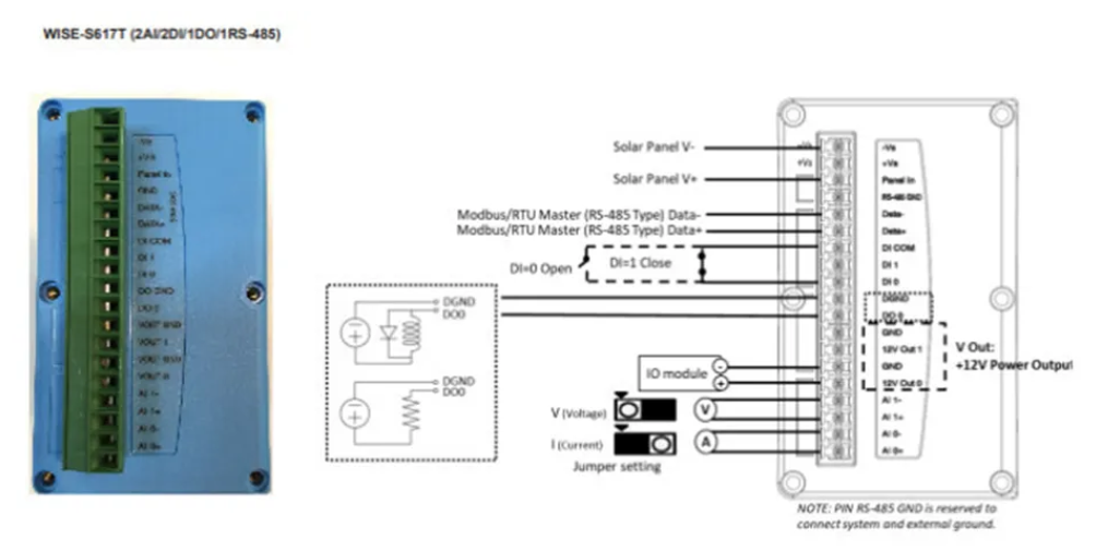
S617T 包括 2个模拟输入,2个数字输入,1个数字输出,2个功率输出,1个 RS-485 输入输出。pinout和输入/输出的详细信息,如下面的输入/输出螺丝端子连接器图片和示意图所示。

模拟输入可根据跳线 CN6 和 CN7 设置配置为电压或电流(默认设置为AI1和AI2输入上的电压)。跳线位于 S617T 模块中,如下所示。

将 S617T 结节插入 WISE-4610 的底座,并使用所提供的螺丝进行固定。
WISE-Studio 软件实用程序设置
WISE-Studio 是一个用于配置 WISE 模块的工具(该实用程序可以从 WISE Studio 下载)。该工具提供了一个基于 web 的界面,该界面在多个 WISE 模型之间类似。对于通过以太网、LAN 或 WLAN 配置的模块,WISE-Studio支持与 WISE 模块的内部 web 服务器通信。对于通过U SB配 置的模块(如WISE-4610), WISE-Studio在安装了软件的计算机上执行web服务器。web服务器通过USB接口与WISE模块通信。模块信息可通过嵌入式网页或web浏览器访问。
1 — 从https://www.silabs.com/developers/usb-to-uart-bridge-vcp-drivers下载并安装 USB 驱动程序。
2 - 从 http://support.advantech.com/ 下载并安装 WISE Studio。
3 - 为模块供电,将直流电源连接到+ v和- v引脚。
4 - 通过microrousb端口将模块连接到计算机上。
5 - 打开WISE Studio实用程序,在Serial Port上选择Go To Configuration 。然后选择合适的COM端口并单击连接。

一旦PC机连接到 WISE-4610,你可以进入信息页面查看模块,LoRa,产品和电源状态的详细信息。其他页面包括设置4610时使用的配置,I/O 状态 和高级。配置 WISE-4610 的详细信息请,参见 WISE-4610 用户手册。

硬件设置
本项目采用 24V DIN 导轨电源为WISE-4610 供电,USB 电缆连接到运行 WISE Studio 的 PC 机。下面的原理图说明了如何实现设置,并包括带有 DigiKey 部件编号的BOM (参见 Scheme-it Advantech WISE4610项目)。
注意: USB 连接到 PC 仅在配置 WISE-4610 期间使用。

确定WISE-4610 LoRa 产品 EUI、App EUI 和 App KEY 值
WISE-4610 的产品 EUI,App EUI 和 App KEY 可以通过导航到配置页面的 RF 模块选项卡在 WISE Studio 中找到。
注意:当将 4610 添加到 The Things StackLoRaWAN 网络时,将需要这些 LoRa 参数。

有关将 WISE-4610 输入/输出控制器添加到 The Things Stack LoRaWAN 网络服务器中

添加应用程序和集成
一旦 WISE-4610 配置完成并添加到 The Things Stack LoRaWAN 网络服务器,就可以通过添加应用程序和集成对从 WISE-4610 上行/下行的数据进行操作和/或可视化。可以实现许多选项,包括 MQTT, Node-RED, IFTTT, Cloud 等。更多信息可在 https://www.thethingsindustries.com/docs/integrations/找到。
结论
Advantech WISE-4610P-NA 与 S617T 输入/输出模块配对,提供多个输入/输出数据能力,用于LoRaWAN 上的数字/模拟信号和RS-485产品的传感和控制。在 The Things Stack 或其他 LoRaWAN 网络服务器中拥有可用的数据,通过在网络服务器中或向网络服务器中实现/添加应用程序和集成,提供了对数据进行可视化和操作的机会。
发布日期: 2026-01-16
发布日期: 2024-01-23
发布日期: 2024-01-22
发布日期: 2024-04-28
发布日期: 2024-08-28
发布日期: 2024-07-08
发布日期: 2024-05-11
发布日期: 2026-01-13
发布日期: 2026-01-28
发布日期: 2026-01-28
发布日期: 2026-01-28
发布日期: 2026-01-28
发布日期: 2026-01-28