新闻资讯
小型卫星收集的能量较少,随着运营商越来越多地使用更快速的板载处理,应尽可能多地将电力预算分配给有效载荷。传统的配电架构包括一个隔离式 DC-DC 转换器(用来降低外部母线输入电压),然后是本地化的负载点(POL)转换器;但由于 I²R 损耗较大,这种架构变得效率低下。为了完成新一代太空任务,需要在转换损耗、功率密度、物理尺寸以及与最新超深亚微米器件开关速度相匹配的瞬态响应等方面做出改进。

图 1:FPA™ 与传统中间架构的对比。
Vicor 的分比式电源架构(FPA)采用模块化方法,可以最大限度地减少 I²R 分配损耗,提高效率并改善瞬态响应。FPA 包括两个阶段:稳压和变压。首先,使用一个升降压(buck-boost)拓扑,从外部电源生成 48V 中间电压轨,这比通常输入到 POL 的较低母线电压要高得多。例如,对于相同的功率,48V 输出母线所需的电流比 12V 中间母线(P = VI)低 4 倍,而 PDN 损耗是该电流的平方(P = I²R),其可将损耗降低 16 倍。先配置稳压器并稳压至 48V 输出,将实现最高的效率。

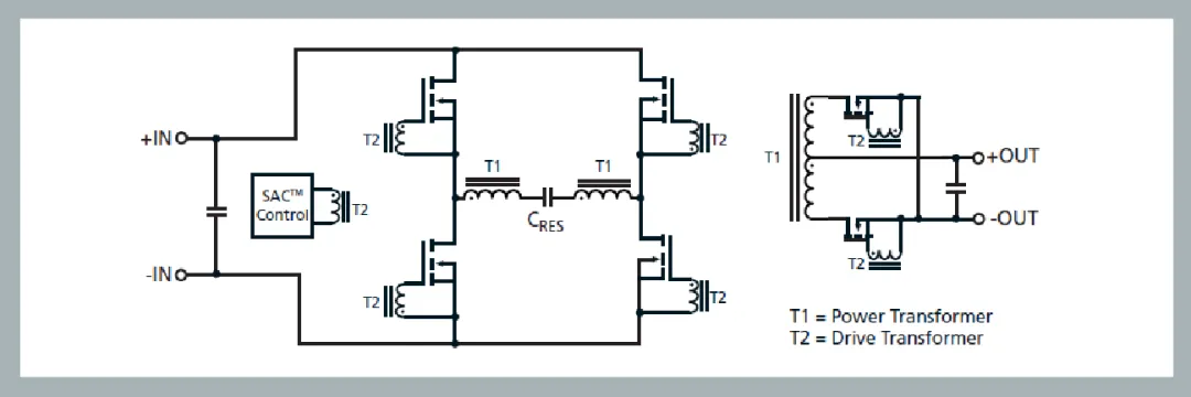
图 2:全桥 SAC™ 串联谐振拓扑
FPA™ 的第二阶段使用变压器将 48V 中间电压轨转换为所需的负载电压。输出电压是输入电压的固定比例(K 因数),由匝数比决定。电压降低的同时,电流会相应增加,例如,1A 的输入电流可能会倍增至 48A 的输出电流:

预稳压模块(PRM™)和变压模块(VTM™)的电流倍增器相结合,形成了 FPA。这两款器件相互配合,发挥其作用以完成 DC-DC 转换。PRM 把未稳压的输入电源转换为稳压后的“分比式母线”,然后由 VTM 将 48V 转换(降压)为所需的负载电压。
VTM 的高带宽可避免对大容量负载点电容的需求。即使没有任何外部输出电容,VTM 的输出在应对突发功率激增时也只会出现有限的电压扰动。少量的外部旁路电容(采用低 ESR/ESL 陶瓷电容)就足以消除任何瞬态电压过冲。VTM 提供独特的电容倍增功能,而不会受到内部控制环路努力维持稳压带来的带宽限制。例如,当使用 1/48 的 K 因数时,有效的并联输出电容是输入电容的 2304 倍,即 CSEC = CPRI * K²。这意味着 VTM 下游所需的去耦电容显著减少,只需在其输入端添加少量电容,就能达到与传统降压模块 1V 输出端通常添加的大型钽电容相同的能量存储效果,如下所示。低阻抗是高效地为低电压、高电流负载供电的关键要求,使用 VTM 还可以将从二次侧(secondary side)看到的有效电阻降低 K² 倍。这允许将 VTM 放置在靠近负载的位置,无论是横向还是纵向,使配电网络(PDN)的损耗更低。FPA 的低电流、高电压中间母线意味着 PRM 可以物理上远离 VTM 而不影响效率。这在决定 PRM 的放置位置时提供了更大的灵活性,减少了对负载区域拥塞的担忧,并为电源平面的设计提供了更多自由,以实现最大的电流密度。这种布局规划与传统的砖块方法大不相同,后者要求隔离式 DC-DC 和 POL 靠近放置,以最小化 I²R 分配损耗。
目前的航天级隔离式 DC-DC 转换器和降压 POL 都是基于 PWM 的器件,输出功率与开关频率的占空比成正比。这些硬开关转换器使用方波来驱动电感器或变压器,MOSFET 在开关时会损耗能量。方波包含大量谐波,必须进行滤波,否则会通过传导或辐射影响整个系统。VTM 的拓扑在原边绕组中使用正弦电流,产生更清洁的输出噪声频谱,所需的滤波更少。现有的航天级降压稳压器和正向/反激式 DC-DC 转换器的效率分别在 67% 到 95% 和 47% 到 87% 之间。
为了满足未来新太空应用星座的电力分配以及低电压、高电流需求,Vicor 正在为其正弦振幅转换器(SAC)拓扑结构申请航天级认证。与现有的航天级 DC-DC 转换器相比,这种零电流开关/零电压开关(ZCS/ZVS)技术的效率更高,功率密度更大,电磁干扰(EMI)更低。SAC 是一种基于变压器的串联谐振正向架构,以与初级谐振电路谐振频率相同的固定频率运行,如下文所示:
一次侧的场效应晶体管(FET)被锁定在串联谐振电路的自然谐振频率上,并在零电压交叉点开关,消除了功率损耗并提高了效率。在谐振状态下,电感和电容的反应相互抵消,最小化输出阻抗,使其变为纯电阻,从而减少压降。由此产生的极低输出阻抗使 VTM 能够几乎瞬时(<1μs)响应负载的阶跃变化。流经谐振电路的电流为正弦波,谐波含量较少,从而形成更清洁的输出噪声频谱,需要对负载电压进行的滤波更少。
SAC 采用正向拓扑,输入能量直接传递到输出。一次侧的漏感被最小化,因为它不是关键的储能元件。SAC 正向拓扑的独特操作方式使其能够实现更高的开关频率,使用的磁性元件更小,固有损耗更低。由此带来的效率提升意味着能量转换过程中浪费的功率更少,可以简化热管理,并允许以更小的封装提供更大的输出电流和更高的功率密度。更快的操作频率使能量可以更频繁地传输到输出端,提高了对动态负载变化的瞬态响应能力,仅需几个周期。
Vicor 的 DC-DC 部件已通过波音公司的风险评估,并被设计用于提供航天级互联网服务的 O3b 卫星。初期,Vicor 将提供四种耐辐射的 DC-DC 转换器:

图 3:新型 BCM®、PRM™ 和 VTM™ 耐辐射 DC-DC 转换器。
300W、9A、849W/in³ 的隔离式 ZVS/ZCS SAC™ 母线转换模块(BCM3423PA0A35C0S)。接受 94 至 105V 的直流输入,输出固定为输入 31 至 35V 的 1/3。最大环境效率为 94%,封装尺寸为 33.5 x 23.1 x 7.4mm,重量为 25.9g。
200W、7.7A、797W/in³ 的非隔离式 ZVS 升降压稳压器(PRM2919P36B35B0S)。接受 30 至 36V 的输入电压,输出可调电压范围为 13.4 至 35V。最大环境效率为 96%,封装尺寸为 29.2 x 19.0 x 7.4mm,重量为 18.2g。
200W、50A、1204W/in³ 的隔离式 ZVS/ZCS SAC DC-DC 转换器(VTM2919P32G0450S)。接受 16 至 32V 的输入电压,输出电压固定为输入电压的 1/8,范围为 2 至 4V。最大环境效率为 93%,封装尺寸为 29.2 x 19.0 x 4.9mm,重量为 11g。
150W、150A、903W/in³ 的隔离式 ZVS/ZCS SAC DC-DC 转换器(VTM2919P35K01A5S)。接受 13.4 至 35V 的输入电压,输出电压固定为输入电压的 1/32,范围为 0.42 至 1.1V。最大环境效率为 91%,封装尺寸为 29.2 x 19.0 x 4.9mm,重量为 13.3g。
这四款 DC-DC 转换器采用了冗余系统架构,包含两个相同的并联动力系统,并具有容错控制,以满足单粒子效应(SEE)要求。为了降低制造成本,这些部件采用了镀层环氧树脂模塑 BGA 封装,具有出色的导热性,被命名为 SM-ChiP™,兼容标准的表面贴装、“拾取和放置”(pick-&-place)以及回流焊接工艺。这些 DC-DC 转换器属于 EAR99 管制类别,工作温度范围为 -40 至 125°C,并提供多种过压、短路电流、欠压和热保护功能。目标总剂量辐射耐受度为 50kRad(Si);SEE 和其他可靠性数据将在今年晚些时候发布。
为了突显这些新型耐辐射 DC-DC 转换器的卓越功率密度,图 4 和图 5 分别比较了它们与现有航天级开关 POL 和隔离式 DC-DC 转换器的相对尺寸。每个转换器的功率密度(W/in³)、效率(%)和电流密度(A/in²)分别用蓝色、橙色和红色标注。通常会为不同的负载条件指定一系列效率值。

图 4:航天级开关 POL 与 VTM2919 系列的比较。

图 5:航天级隔离式 DC-DC 与 BCM® 及 PRM™ 的比较。
与现有的合格转换器相比,新型抗辐射商用现货 SAC™ DC-DC 转换器的体积和规格更小,实现了输出功率、密度和效率的大幅提升。稳压后的电压更加清洁,需要的大容量去耦电容更少。这些部件将从明年开始积累使用经验,目前已有评估板可供使用。

图 6:用于航天器航空电子设备的模块化 100V 配电解决方案。
本文转载自:Vicor
发布日期: 2025-02-18
发布日期: 2024-05-06
发布日期: 2024-10-10
发布日期: 2024-09-30
发布日期: 2024-03-15
发布日期: 2024-11-07
发布日期: 2024-07-24
发布日期: 2025-02-26
发布日期: 2025-10-27
发布日期: 2025-05-19
发布日期: 2025-05-19
发布日期: 2025-05-19
发布日期: 2025-05-19