新闻资讯
众所周知,GaNFET比较难驱动,如果使用原本用于驱动硅(Si) MOSFET的驱动器,可能需要额外增加保护元件。适当选择正确的驱动电压和一些小型保护电路,可以为四开关降压-升压控制器提供安全、一体化、高频率GaN驱动。
问题
没有专门用于驱动GaNFET的控制器时,如何使用GaNFET设计四开关降压-升压DC-DC转换器?

回答
众所周知,GaNFET比较难驱动,如果使用原本用于驱动硅(Si) MOSFET的驱动器,可能需要额外增加保护元件。适当选择正确的驱动电压和一些小型保护电路,可以为四开关降压-升压控制器提供安全、一体化、高频率GaN驱动。
简介
在不断追求减小电路板尺寸和提高效率的征途中,氮化镓场效应晶体管(GaNFET)功率器件已成为破解目前难题的理想选择。GaN是一项新兴技术,有望进一步提高功率、开关速度以及降低开关损耗。这些优势让功率密度更高的解决方案成为可能。当前市场上充斥着大量不同的Si MOSFET驱动器,而新的GaN驱动器和内置GaN驱动器的控制器还需要几年才能面世。除了简单的专用GaNFET驱动器(如LT8418)外,市场上还存在针对GaN的复杂降压和升压控制器(如LTC7890、LTC7891)。目前的四开关降压-升压解决方案仍有些复杂,但驱动GaNFET并不像看起来那么困难。利用一些简单的背景知识,可以通过调整针对Si MOSFET的控制器来驱动GaNFET。
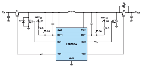
LT8390A是一个很好的选择。这是一款专业的2 MHz降压-升压控制器,死区时间(25 ns)非常短,参见图1。该降压-升压方案的检测电阻与电感串联,且位于两个热环路的外部,这是降压-升压方案的一个新特性,让控制器能够在升压和降压工作区域(以及四开关降压-升压)中以峰值电流控制模式运行。本文深入探讨了四开关降压-升压GaNFET控制,但其原理同样适用于简单的降压或升压控制器。
图1.EVAL-LT8390A-AZ 24 VOUT 5 A四开关降压-升压GaN控制器原理图
5 V栅极驱动器必不可少
对于高功率转换,硅驱动器通常工作在5 V以上,典型的硅MOSFET栅极驱动器电压范围为7 V至10 V甚至更高。这对GaNFET提出了挑战,因为其绝对最大栅极电压额定值通常为6 V。甚至栅极和源极回路上的杂散PCB电感引起的振铃如果超过最大栅极电压,也可能导致灾难性的故障。相关设计人员必须仔细考虑布局,尽可能降低栅极和源极回路上的电感,才能安全有效地驱动GaNFET。除了布局之外,实施器件级保护对于防止栅极发生灾难性过压也很重要。
LT8390A提供专为较低栅极驱动FET设计的5 V栅极驱动器,因而是驱动GaNFET的理想选择。问题是硅FET驱动器通常缺乏针对意外过压的保护。更具体地说,硅栅极驱动器上顶部FET的自举电源不受调节,这意味着顶部栅极驱动器很容易漂移到GaNFET的绝对最大电压以上。图2提供了解决此问题的方案:将一个5.1 V齐纳二极管(D5和D6)与自举电容并联,以将该电压箝位在GaNFET的推荐驱动电平,进而确保栅极电压始终在安全工作范围内。
图2.带有GaN控制保护元件的简化四开关降压-升压GaN控制器原理图
图3.EVAL-LT8390A-AZ最大输出电流与输入电压的关系,该板可在高频下通过宽输入范围产生120 W功率
图4.EVAL-LT8390A-AZ GaN控制器效率与DC2598A Si MOSFET控制器效率,
GaNFET在更高电压下提供更高的效率
此外,为了提供更好的保护,添加一个10 Ω电阻与自举二极管(D3和D4)串联,以减小超快速和高功率开关节点可能引起的任何振铃。
死区时间和体二极管挑战
传统转换器中有一个续流二极管,它在关断期间导通。同步转换器用另一个开关代替续流二极管,以减少二极管的正向导通损耗。然而,如果顶部和底部开关同时导通,就会发生故障,导致击穿。如果发生击穿,则两个FET都可能短路接地,进而造成器件故障和其他灾难性后果。为了防止这种情况,控制器设置了死区时间,即顶部和底部开关均不导通的时间段。典型同步DC-DC控制器实现的死区时间长达60 ns。体二极管在此期间导通,因此对于硅MOSFET来说,该死区时间不会造成麻烦。
GaNFET没有体二极管,导通和关断的速度比硅MOSFET快得多。GaNFET可以在2 V至4 V的电压下导通,而二极管的典型导通电压为0.7 V。导通电压乘以导通电流,可能导致死区时间内的功率损耗增加近6倍。功率损耗的增加,加上较长的死区时间,可能造成FET过热和损坏。比较好的解决方案是尽量缩短死区时间。然而,原本用于硅FET的控制器是根据硅FET缓慢的通断特性(数十纳秒)来设计死区时间,为防止击穿,死区时间通常较长。
LT8390A设定的死区时间为25 ns,与市场上的许多同步控制器相比,该死区时间相对较短。该器件适用于高频、高功率MOSFET控制,但对于GaNFET来说仍然太长。GaNFET的导通速度很快,仅几纳秒。因此,为了减少死区时间内的额外导通损耗,建议添加一个续流肖特基二极管与同步GaNFET反向并联,将导通路径转移到损耗较小的路径。图2中的D1和D2说明了肖特基二极管应放置在哪个FET上。D1跨接于同步降压侧FET,而D2跨接于同步升压侧FET。简单的降压转换器只需要放置D1。对于简单的升压转换器,需使用D2。
更高频率、更高功率
LT8390A的开关频率高达2 MHz。GaNFET的开关损耗显著低于Si MOSFET,开关频率和电压更高时,其功率损耗与后者相近。EVAL-LT8390A-AZ GaNFET板将开关频率设置为2 MHz,以突出GaNFET在效率和尺寸方面的优势。
在室温、24 V输出下,GaNFET可产生120 W功率。该板尺寸与之前的LT8390A评估板DC2598A相当,后者使用硅MOSFET,并提供12 VOUT和48 W功率。
图3展示了2 MHz GaN降压-升压电路的最大功率能力,而图4比较了两种评估板的效率。即使在电压更高、输出功率高2.5倍的情况下,GaNFET板的效率也高于Si MOSFET板。在电路板面积相似时,使用GaNFET可以以更高的电压和功率运行。
表1.与GaNFET兼容的DC-DC控制器

发布日期: 2024-01-15
发布日期: 2024-11-19
发布日期: 2023-12-18
发布日期: 2024-06-17
发布日期: 2024-06-27
发布日期: 2024-09-06
发布日期: 2025-04-09
发布日期: 2024-04-10
发布日期: 2025-12-12
发布日期: 2025-12-12
发布日期: 2025-12-12
发布日期: 2025-12-12
发布日期: 2025-12-12