新闻资讯
换电与充电并存
在电动车发展的过程当中,充电和换电是两个同时存在的方案。车载充电OBC可以通过两相或三相电给汽车充电,但其无法满足快充的需求。现在充电桩发展迅速,已经有600kW的超充出现,充电速度越来越逼近换电速度,但对电网压力很大,还需要时间普及。换电则采取另外的方式,古代加急文书传递时,士兵在驿站更换体力充沛的马匹继续前行就是这种理念。动力电池作为电动汽车当中最昂贵的部件,其可靠性至关重要,部分车主不太能接受随意更换动力电池的方式。而接受换电方式的用户则可以提前享受到接近油车加油时间的使用感受。相信两个模式还会在一段时间内同时存在,直到极速充电得到普及。关于充电和换电的优缺点,一直是网上的争论热点。今天来谈一谈换电站中充电电路设计,以及安森美(onsemi)碳化硅模块给电路设计带来的优势。
充电站电路结构
1.PFC
充电站中的充电电路部分功能与功率范围和直流充电桩类似,作用是用电网交流电源给汽车电池充电,功率也同样是超过OBC功率的大功率快速充电,通常大于50kW。其对接电网部分是三相有源功率因数校正电路,以下以PFC简称。PFC 可保持输入电流和电压之间的相位关系,并将线路/电网电流中的总谐波失真 (THD) 降至最低。现在新的设计越来越多的需要双向工作的能力,实现能量在电池与电网间的双向流动。目前流行的三相PFC线路有三种:6开关,T-NPC,I-NPC。

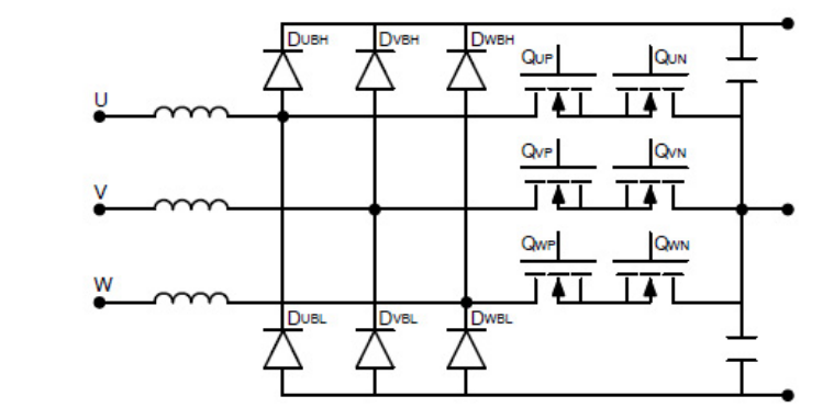
图1 6开关三相PFC线路

图2 T-NPC三相PFC线路

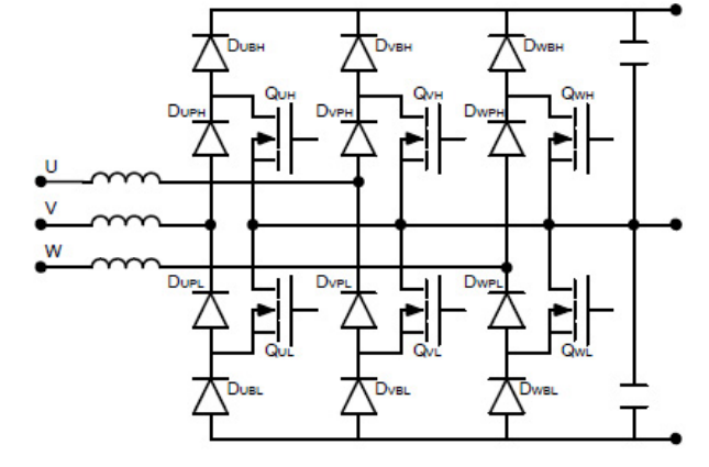
图3 I-NPC三相PFC线路
6开关电路简洁,直接支持双向工作,但需要较高耐压能力的功率器件。
T-NPC或I-NPC则可以选择较低电压的主动开关器件,但若要有双向工作能力,则需要将图中的部分二极管替换为主动开关器件MOS或IGBT。
在汽车相关的电路设计当中,可靠性至关重要。6开关三相PFC电路,拥有最简洁的电路设计,如果是双向的设计则更加明显。在1200伏SIC MOSFET已经大批量应用在汽车电路设计的情况下,这种架构无疑是非常有吸引力的,特别是双向设计中。充电站中的电路设计需要更多考虑效率,因其整个生命周期的电路运行时间很长,设计上以效率为优先可以节约更多电能降低电费。因此碳化硅器件是优先的选择,尤其是对开关性能要求比较高的PFC部分。考虑到充电站的功率往往都比较大,单管并联的方案面临比较大的设计挑战,其整体可靠性设计也相当困难。而模块方案则简化了整体的设计,可靠性优势巨大。


图4 安森美碳化硅模块
安森美的碳化硅模块,拥有比较全的内阻档位选择,3mΩ-40mΩ内阻范围适合不同功率的设计选取,采用半桥架构方便应用在PFC和DC-DC电路中。其出色的热管理给用户带来出色的整体散热性能,散热部分自带隔离特性大大方便设计与制造。相对于分立器件方案,整机可靠性大大提高,制造难度大大降低。
NXH003P120和NXH004P120是采用新一代M3S技术的领先产品,其极低的内阻和寄生参数,非常适合PFC部分需要,同时具有优秀的开关性能和低导通内阻。可以帮助用户实现非并联设计的更高功率输出。
2.LLC和CLLC
PFC电路和电池之间是DC-DC部分,通常需要隔离。单向设计较多采用LLC谐振电源或移相全桥PSFB(Phase Shifted Full Bridge)。而双向设计则更多采用 CLLC 或 DAB(dual active bridge)。今天以LLC和CLLC为例,谈一谈碳化硅模块在充电站DC-DC电路中的应用优势。
LLC电路性能在各方面都表现很好,尤其是在最佳工作点附近时,可以实现非常理想的工作状态,进而得到很高的运行效率。LLC其本身就具有双向工作能力(副边采用主动整流器件如SIC MOSFET),只是反向工作时无法实现LLC方式工作,只能工作在较差的工作点(LC串联谐振模式),整体效率较低。CLLC(副边增加L2,C2)则可以兼顾正向与反向工作点设计。

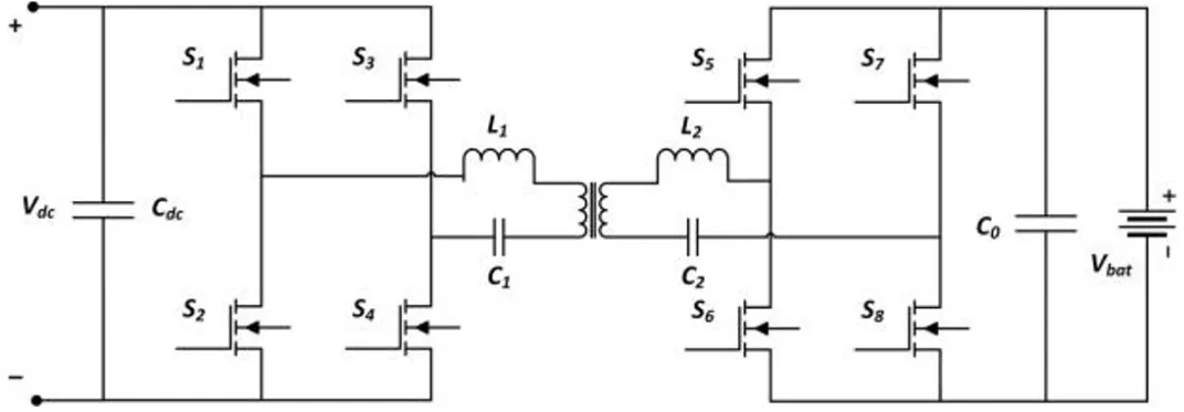
图5 双向设计的CLLC 电路结构
充电站一般要求兼容800V和400V电池,DC-DC次级可以分成两个线圈来通过串联或并联来对应800V或400V电池。这样可以大大降低设计的负载电压范围,实现在更靠近理想工作点来工作,进而提升效率节约电费。
虽然LLC和CLLC是谐振电源,其对开关器件的开关性能要求没有PFC级那样严格,但SIC MOSFET依然有很大优势。首先,电池的电压在充电过程中一直在变动,LLC的原边并非能一直在理想工作点附近工作,SIC MOSFET的开关能力依然有优势。其次,整流一侧的整流管要求好的开关性能,在充电器是双向工作的电路设计中,原边和副边都会在某一个模式下当作整流管使用,单向设计中,副边始终是整流模式。SIC MOSFET的体二极管拥有很好的开关性能,可以更好的胜任整流工作的需求,降低关断时反向恢复电流带来的影响。

图6 M3S技术带来的效率提升明显
安森美的SIC MOSFET模块,尤其是基于新一代M3S技术开发的NXH003P120和NXH004P120提供出色的内阻和开关特性,以及出色的体二极管开关特性,非常适合充电站DC-DC部分特别是双向设计的电路。可以帮助用户实现单模块非并联设计高功率输出能力。
安森美EliteSiC模块
总之,在高功率充电电路设计中,碳化硅技术可以带来高效率的目标,节能的同时具有高可靠性(更高的耐温特性)。碳化硅模块则更加为设计和制造带来方便,进一步提升产品的整体可靠性,在充电站这种高强度商业性应用场景,高效率和高可靠性更加重要。

图7 采用1200V SIC MOSFET设计带来的简化
安森美拥有不同类型的碳化硅模块产品,适应不同电路结构的设计,今天介绍的三相6开关PFC和LLC、CLLC结构非常适合采用1200V 半桥SIC MOSFET模块。其提供简单的电路结构,和天然的双向工作能力,第三代M3S SIC MOSFET技术赋予其高效的性能。包括两款(NXH003P120M3F2PTHG/NXH004P120M3F2PTHG),采用标准F2封装,具有出色的Rds(on)。M3S技术专为高速开关应用而开发,在开关损耗、Coss和Eoss方面具有优异的品质。
另外安森美提供新的Elite Power仿真工具,通过创新的PLECS模型实现了技术突破,对于硬开关和软开关应用(例如LLC和CLLC谐振、双有源桥和移相全桥等)都适用。该工具能够精确呈现电路在使用我们的EliteSiC产品系列时的工况。
下面是F2封装的SIC MOSFET 模块内部结构图和外观图以及半桥类1200V SIC模块的选型表。这些产品可以涵盖25KW到100KW的功率范围,提供简洁的设计和高效率高可靠的快速充电整机性能。


图8 SIC M3 MOS 模块F2封装半桥图例

图9 SICMOS半桥模块选型
发布日期: 2026-02-06
发布日期: 2024-06-20
发布日期: 2024-04-25
发布日期: 2024-05-09
发布日期: 2024-04-25
发布日期: 2024-07-18
发布日期: 2024-05-22
发布日期: 2024-04-08
发布日期: 2026-02-24
发布日期: 2026-02-24
发布日期: 2026-02-24
发布日期: 2026-02-24
发布日期: 2026-02-24