新闻资讯

几十年来,电网一直是电力生产单位和消费者之间可靠的桥梁,只需轻轻一按开关,便能畅通无阻地将电力源源不断地输送到千家万户。然而,随着太阳能和风能等可再生能源发电需求的不断增长,现有电网唯有成功应对新的挑战(包括整合储能系统),才能确保在用电高峰期电力供应充足。
EPC Power 作为一家提供尖端功率转换解决方案的知名地面电站逆变器制造商,现已携手 Wolfspeed 开发解决方案,共同应对储能挑战。此次强强联合,双方利用碳化硅的强大性能,打造出业界首款地面电站组串式逆变器“M”,使并网储能系统比以往任何时候都更高效、更可靠、更具可扩展性。
挑战:
● 打造一款具有行业领先效率和功率密度的储能逆变器
● 设计模块化系统,单个逆变单元覆盖宽范围的功率和电压等级
● 确保系统易于维护、便于维修且可大规模生产,以便在全球范围内快速部署
创新:
● “M”逆变器 — 业界首款针对电池储能系统进行优化的模块化组串集中式逆变器
● 支持并网的灵活逆变器,覆盖宽范围的功率和电压等级,展现行业领先的效率和功率密度
● 低维护和维修需求
● 易于大规模生产,可在全球范围内快速部署解决方案
解决方案:
● 两家创新公司强强联手,将 2300 V Wolfspeed WolfPACK™ 功率模块集成到 EPC Power 的新型储能解决方案中

“M”代表模块化
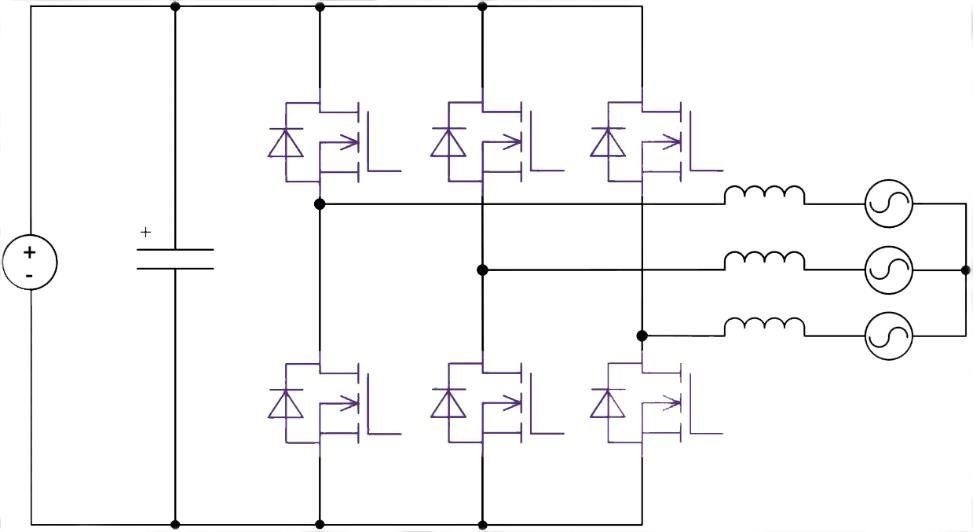
传统的储能系统使用集中式逆变器进行功率转换。这些单体设备的运行功率为 4 - 6 兆瓦,并且由于系统规模大、复杂性高,容易出现停机问题。当长时间存储大量可再生能源时,集中式逆变器面临的压力更大。EPC Power 的“M”逆变器兼具户用和商业太阳能系统常用的组串式逆变器的灵活性,可扩展到为整个城市提供可再生能源的规模。

“M”采用模块化方法,通过连接多个小型逆变器实现定制化集中式逆变器。“M”逆变器无源元件更少,体积更小,交流和直流工作范围更广,并提供世界一流的功率密度。与集中式逆变器相比,“M”模块化系统更易于安装和维护,并且故障点更少,无故障运行时间更长。
“M”弥合了两种逆变器架构之间的差距,在更高的电压等级下实现稳定可靠的电池存储。通过将能量分配到更小的单元,电力单位可以设计出更符合特定储能站具体需求的逆变器系统。
创新的关键
“技术开启商业机遇。碳化硅是一种工具,如果能在系统中充分利用它的优势,就能实现技术的根本性变化。Wolfspeed 碳化硅使得 EPC Power 能够在全球范围内改变能源生产和存储方式。” — Devin Dilley,EPC Power 总裁兼首席产品官
EPC Power 深知,利用碳化硅的独特优势是实现电网级可靠储能的关键。Wolfspeed 的全新 2300 V 碳化硅 Wolfspeed WolfPACK 功率模块专为 1500 V 母线应用而设计,实现了从典型的三电平架构到简化的两电平功率转换系统的转变。该解决方案将系统设计从传统的母排改为成本更低的印刷电路板,显著减少了开发时间和成本。


对比了使用 1200 V IGBT 的复杂三电平 NPC 系统架构与使用 2300 V WolfPACK 功率模块的极简两电平系统。简化后的两电平系统减少了驱动器数量,降低了控制复杂性,同时提高了可扩展性。
碳化硅模块的开关性能使得 EPC Power 能够大幅缩小“M”的尺寸,减少无源元件的数量和降低整体系统成本。这项创新简化了安装和维护,创造了业界首款针对地面电站电池储能进行优化的逆变器。
EPC Power 与 Wolfspeed 专家密切合作,最大限度地利用 2300 V WolfPACK 宇宙射线 FIT 失效率较低的特点(与2000 V 器件相比降低 7 - 8 倍),从而延长了“M”系统的使用寿命。利用这一特性可以延长“M”的使用寿命并提高其可靠性,从而直接减少现场故障并降低维护成本。
合作的力量
作为全球最先进的碳化硅半导体技术的开拓者,Wolfspeed 在整个设计过程中提供实践支持,帮助客户最大限度地利用碳化硅的优势。这一理念指导着 Wolfspeed 与市场创新者合作,推动全球最具颠覆性的技术发展。
“EPC Power 和 Wolfspeed 的理念高度契合。Wolfspeed 是碳化硅商业化的引领者,保持行业领先多年,有什么理由不与这家公司合作呢?” — Adam Kabulski,EPC Power 全球销售和营销副总裁
Wolfspeed高级副总裁兼功率半导体总经理Jay Cameron表示:“Wolfspeed 和 EPC Power 将携手奋进,EPC Power 的雄心壮志和强大实力给我留下了深刻印象,他们推动着我们所有人稳步前进,力争推出能够彻底改变电网、为我们所有人创造更可持续未来的产品。”
发布日期: 2024-07-15
发布日期: 2024-10-28
发布日期: 2024-01-11
发布日期: 2024-10-29
发布日期: 2024-04-07
发布日期: 2024-05-13
发布日期: 2024-07-14
发布日期: 2023-12-04
发布日期: 2026-02-24
发布日期: 2026-02-24
发布日期: 2026-02-24
发布日期: 2026-02-24
发布日期: 2026-02-24