新闻资讯
随着科技不断进步和人们对更高生活质量的追求,智能楼宇成为了未来建筑发展的重要方向。智能楼宇的出现主要是为了对楼宇环境进行智能控制和优化,应用现代传感器、网络通信、自动控制、安全防范、音频视频等先进技术,将楼宇结构、设备、服务等优化组合形成有机整体,实现节能、安全、舒适以及可持续发展的建筑环境,进一步促进智慧城市的建设。
与此同时,城市化和气候变化等全球性挑战也加速了对智能楼宇的需求。通过在安全、可扩展、互联的系统中使用多个数据源,可以实时执行有效的决策,从而实现更节能、更高效的环境。高精度数据使楼宇和用户之间能够实时驱动和交互,创造一个安全高效的空间,可应用于商业、住宅甚至工业等诸多领域。

图一: 楼宇控制系统
楼宇自动化系统在支持可扩展的情况下,可较大限度提高舒适性、安全性和能效。从HVAC到照明,要充分提高工作性能,就需要一个能提供精准数据和连接的复杂且可靠网络。随着楼宇控制系统逐渐本地化,可以节省时间和成本的平台解决方案应运而生,其具备的低功耗和灵活性让楼宇更易于重新配置,可满足不断变化的需求。
ADI的楼宇自动化系统技术能够应对互联设备数量激增的挑战,为实现智能楼宇提供支持。这些更小巧、可扩展的低功耗解决方案支持使用楼宇控制平台方法,在本地或更高层面上监测、控制和重新配置,不仅适合现有的楼宇网络拓扑和标准,还支持更先进的新技术。
如图二所示,楼宇自动化系统分为四层。从上往下第一层是管理层(Management Layer),服务器的设备、上层的管理技术都是在里体现,这一层可以通过电脑上的服务器查询到每个子系统当前的工作状态。
第二层是网络分发层/集成层(Integration Layer),这一层就会面对每个控制设备,集成层的子系统可能都管理着一个小系统,比如照明的系统、温度的系统、暖通的系统等等,这样既有助于分门别类的管理,也可以拓展出更复杂的系统。
接下来就是控制器层(Controller Layer),这一层已经深入到上面所说的分散控制,分布式管理最核心的设备就在这里。可以将其理解成一个现场的大脑,通过这个现场的大脑可以迅速决策。比如发现温度过高之后,通过内置的PID算法来驱动风扇更快的工作,从而将温度调低,因此楼宇控制器有大量的模拟传感器I/O。
最下面一层就是传感器层(Field sensor Layer)。这一层会接大量传感器来感知到现场或整个楼宇的状态,是获取信息的关键,因此是非常重要的。其实,严格来说还有最后一个设备层,包含了压缩机等设备,这层有时也同样会接在控制器层,总而言之就是现场的设备。

图二:楼宇自动化系统
现代化的楼宇自控系统将电梯、水泵、风机、空调、暖通、照明等设备连接在一起,实现在线监控。通过设置相应传感器,行程开关自动控制温度、湿度、照明等参数。楼宇控制器(Direct Digital Controller)作为楼宇自动化的核心设备,承担着接收上位机系统设置,接收现场传感器实时数据,输出控制动作,从而实现真正的闭环控制系统。
楼宇控制器也叫数字控制器,其核心任务就是对外部的模拟量、数字量的输入/输出进行感应,因为内置了很多楼宇自动化所需要的PID控制单元,以此来控制整个系统。ADI在楼宇控制系统中有很多的产品,大致可分为Software lO、10Base-T1L、RS-485以及SPoE等几大类,下面会有相应的产品介绍。
ADI产品介绍
开入/开出,模拟输入/输出是楼宇控制器设备的关键信号输入输出及动作接口,传统的控制系统采用一组复杂的通道模块、模拟和数字信号转换器以及与操作面的机器、仪器和传感器进行通信的单独有线输入/输出,需要进行成本高昂且工作强度大的手动配置。
ADI推出用于楼宇控制和过程自动化的I/O芯片极大地降低了设计难度,采用通用接口应对不同的需求,大大简化硬件设计复杂度同时,为制造商和工业运营商的现场灵活配置通道功能提供了可能。
与ADI合作了三十多年的技术型授权代理商Excelpoint世健,多年来基于ADI的产品和解决方案组合,打造了多个贴近客户应用需求的解决方案并获得了市场的认可。针对发射链路的两种方式,世健结合当前市场重点推荐AD74412R/AD74413R。


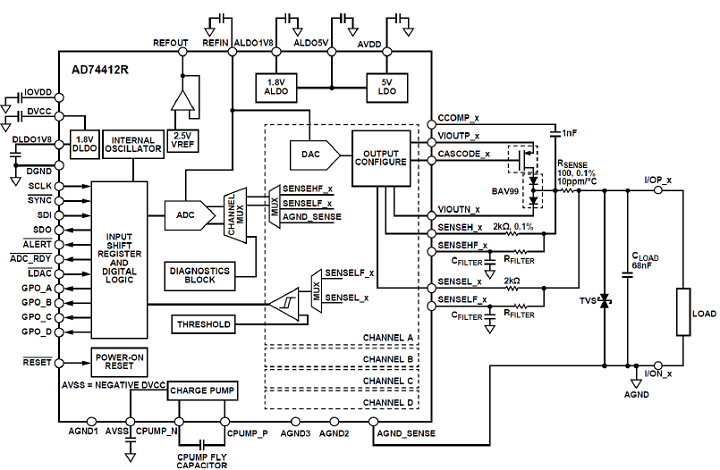
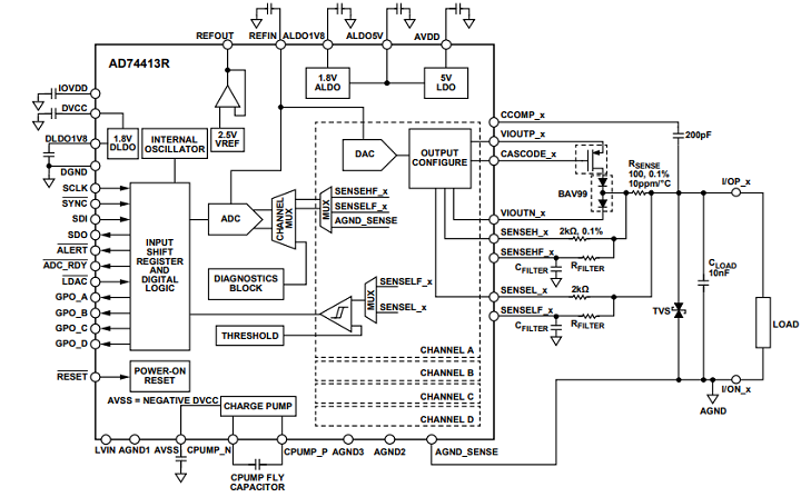
图三:AD74412R/AD74413R框图
这两款产品都具有可重构的模块通道,可快速、轻松地实现远程可灵活控制系统的设计,同时无需进行大规模的重新布线。这就极大地提高了制造商和工业运营商实现速度和灵活性,并使其能够在不大量增加成本和停机时间的情况下进行更改。
AD74412R和AD74413R是适用于楼宇和过程控制应用的四通道软件可配置输入/输出解决方案,包含用于模拟输出、模拟输入、数字输入和电阻温度检测器(RTD)测量的功能,这些功能通过串行外设接口(SPI)集成在一个单芯片解决方案中。该套件采用一个16位Σ-∆模数转换器(ADC)和四个可配置的13位数模转换器(DAC),可提供四个可配置输入/输出通道和一套诊断功能。AD74412R/AD74413R均包含一个高精度2.5 V的内部基准电压源用于驱动DAC和ADC,可提供多种输入/输出模式。
ADI创新连接技术:10Base-T1L
新楼宇中配备了一些先进技术,可远程控制HVAC系统、检测空间占用情况、自动控制照明并监控环境条件,从而使这些楼宇更具可持续性,同时也可提升楼宇用户的安全性与舒适度。ADI开发的先进测量、连接和处理技术,旨在提高新楼宇和现有楼宇的可持续性,助力楼宇健康发展,支持楼宇改造以重复使用双绞线基础设施,并通过10BASE-T1L以太网连接现代系统。
10Base-T1L和传统以太网最核心的区别就是双线制。常规的以太网都是三线制甚至更多,线减少就能大幅降低整个安装要求,因为传统的以太网必须要专用的网线,而10Base-T1L只要普通的双绞线就能工作,这就解决了现场布置和安装的挑战,相当于用普通双脚线也可以获得10兆以太网的速度。
图四是楼宇自动化整个通信链路过程大概的一个拓扑的结构,数据流量从上到下越来越小,但内容却越来越多。上面非常集中、流量较大,下面比较零散、流量相对偏少,中间的楼宇控制器是呈上启下的重要作用,将现场采集到的这些数字量信号转换成数字信号,最后送到服务器,这里面就会存在大量通信需求。

图四:楼宇自动化通信链路过程拓扑结构简图
RS-485依旧是目前楼宇自动化里面比较主流的一个方式,在过去的几十年广泛应用于工业或民用的几乎每一个领域。它最大的特点就是双线制,使用非常方便,而且这种菊花链(Daisy chain)的形式非常容易安装和配置,通信的速率、距离分别可达38.4kbps、1.2Km。
尽管RS-485在楼宇自动化里面应用比较广泛,但是技术也是需要革新的。在过去长期的市场应用过程中也出现了一些问题,比如这种架构的调试难度比较大,单个设备节点故障就会影响整个总线,只能逐个退下来排查后再装上去,而实际中智能楼宇的施工面积是非常大的,无论是一个机场、体育馆还是商业建筑,这都意味着巨大的工作量。
典型的智能楼宇有控制器和各节点组成楼宇自动化系统,要想轻松连接到所有这些设备并不容易。Excelpoint世健推荐ADI公司的一款兼容IEEE 802.3cg和10BASE-T1L标准的经典交换机产品——ADIN2111,可以将以太网引入点对点、环形等线路网络配置中的控制器和边缘节点,减轻了控制器的负担,让升级更容易。
ADIN2111是一款低功耗、低复杂度、双以太网端口交换机。它集成了10BASE-T1L PHY和一个串行外设接口(SPI)端口,使用低功率受限节点,面向工业以太网应用且符合IEEE® 802.3cg-2019™以太网标准,适用于长距离10 Mbps单对以太网(SPE)。

图五:ADIN2111
该交换机(直通或存储并转发)支持两个以太网端口和SPI主机端口之间的多种布线配置,为线形、菊花链或环形网络拓扑提供灵活的解决方案。此外,它还可用于非托管配置,在此配置下,该器件可自动转发两个以太网端口之间的流量。
ADIN2111支持高达1700米的电缆延伸范围,具有77 mW的超低功耗。两个PHY内核支持IEEE 802.3cg标准中定义的1.0 V p-p工作模式和2.4 V p-p工作模式,可采用1.8 V或3.3 V单电源轨供电。
该器件集成了交换机、两个具有介质访问控制(MAC)接口的以太网物理层(PHY)内核以及所有相关的模拟电路、输入和输出时钟缓冲器件。该器件还包括内部缓冲队列、SPI和子系统寄存器,以及用来管理复位和时钟控制及硬件引脚配置的控制逻辑。
ADIN2111集成电压电源监控电路和上电复位(POR)电路,可提高系统级鲁棒性。用于与主机通信的4线式SPI可配置为OPEN Alliance SPI或通用SPI。两种模式均支持可选数据保护或循环冗余校验(CRC)。
以太网受电方案
SPoE(Single Pair Power over Ethernet)以前也被称为“数据线供电(PoDL)”,对应的设备是配合前面提到的10base-T1L做的。比如,客户在用了两线制的10base-T1L以太网技术后需要自供电,增加这个功能后,端节点可以在一根双绞线上既传输信号也供电源,因此面板可以做得非常纤薄。自供电的端节点可以定期、定时地主动上报一些状态信息或报警信息,而不是只能被动接受主站访问。
对此,世健推荐一款符合IEEE 802.3cg标准的单对以太网供电受电设备(PD)控制器——ADI的LTC9111。2.3V-60V的宽工作范围与极性校正相结合,使该控制器特别适合楼宇及工厂自动化应用中基于分类的系统。

图六:LTC9111框图
基于SCCP的分类可确保供电设备(PSE)仅在连接有效的PD时提供全工作电压。LTC9111在分类时利用微功耗操作,最大限度降低存储电容器的要求,可驱动两个外部N通道MOSFET开关,外部N通道MOSFET开关在分类和出现浪涌时从连接器隔离输出电容。
当PD输入电压超过所配置类的ON电压阈值时或经过强制延迟后,电压监控器可启用外部MOSFET。在控制的GATE引脚斜升后,EN输出会发生断言,输入电压降至所配置类的关闭电压阈值以下时也会禁用MOSFET。LTC9111利用1.6V的低启动电压为极性校正驱动一对外部低端N通道MOSFET,可减少功率损耗。
发布日期: 2025-01-24
发布日期: 2024-05-09
发布日期: 2023-12-27
发布日期: 2024-01-15
发布日期: 2024-09-04
发布日期: 2024-07-10
发布日期: 2024-05-07
发布日期: 2023-11-15
发布日期: 2025-12-12
发布日期: 2025-12-12
发布日期: 2025-12-12
发布日期: 2025-12-12
发布日期: 2025-12-12