新闻资讯
电容在电磁兼容性(EMC)中起着重要的作用,它可以用于控制和管理电磁干扰(EMI)以及提高电子设备的抗干扰能力。以下是电容在EMC中的一些主要应用:
1. 滤波器:电容常被用作滤波器的关键元件。在电子设备中,通过将电容放置在信号线或电源线上,可以有效地滤除高频噪声和电磁干扰,确保设备的电源和信号线不受到外部电磁波的干扰。
2. 电源解耦:在电子电路中,电容被用作电源解耦器,以确保电子元件在工作时获得稳定的电源。这有助于防止电源线上的噪声传播到关键的电子元件中。
3. 抑制射频干扰:射频(RF)干扰是一种高频干扰,常常影响无线通信设备和其他高频电子设备。电容可以被用来吸收和抑制这些射频信号,防止其进入或离开设备。
4. 防静电放电:在某些环境中,静电放电可能对设备造成危害。电容可以用于吸收和释放静电能量,从而减小静电对设备的影响。
5. 差模噪声滤波:在模拟电路中,电容通常用于差模信号的滤波,帮助减小噪声对信号的影响。
6. 共模抑制:电容也被用于共模抑制电路,防止共模信号(即同时作用于两个电路导线的干扰信号)对设备造成影响。
在EMC设计中,电容的选型和布局是非常关键的。合适的电容选择可以显著提高设备的电磁兼容性,防止不同部分之间的相互干扰,同时确保设备在电磁环境中稳定运行。
电容自谐振问题
我们用来滤波的电容器并不是理想的电容器,在系统中实际表现为理想电容与电感和电阻的串联。如图所示。

多层电容器(Muti-LayerCapacitor)在装配到PCB板上时会产生将近5nH的寄生电感,再加上约30m欧的引线电阻,其频率特性表现为如图所示的曲线。滤波电容将不是理想的低通滤波器,实际的插入损耗特性表现为以自谐振点为中心的带通滤波电路。

两个电容串联时,由于ESL(等效串联电感)和ESR(等效串联电阻)的存在,会产生反谐振问题。下图给出了电容并联的等效原理

下图给出了它们的真实的幅度-频率特性。

在将近15MHz到175MHz的一个较宽的频带内,并联电容的阻抗比单独一个大电容的阻抗要来的大,由于两电容产生了谐振,在150MHz处产生了一个阻抗的峰值,系统其他部分在该频率范围内产生的能量只能有很少的一部分被旁路到地平面。

在设计普通电路时,工程师们通常关注的是电容的容值、耐压值、封装大小、工作温度范围、温漂等参数。但是在高速电路上或电源系统中及一些对电容要求很高的时钟电路中,电容已经不仅仅是电容,是一个由等效电容、等效电阻和等效电感组成的一个电路,简单的结构如图所示。

电容在高速电路中的等效电路
图中,C为所需电容,ESR为等效串联电阻,ESL为等效串联电感,CP为等效并联电容。
既然这是一个电路,那么就不再是一颗独立电容那么简单了。这个等效电路性能受很多因素的影响,在选择这类电容时,不仅仅要关注前面提到的那些参数,还要关注在特定频率下的等效参数,以Murata的1μF的电容为例,在谐振频率点时,对应的等效电容为602.625nF,等效电阻为11.5356mΩ,等效电感为471.621pH。理想电容和实际电容就呈现出不一样的性能。如图所示是理想电容和实际电容的阻抗曲线。

在工程实践中,很多工程师看到参考板设计或其他工程师设计的板子中有很多电容,觉得自己的产品按照他们的设计照搬就不一定不会出问题。其实这也不是如此,因为产品应用不同、结构也有可能不同,这就可能使得产品设计的PCB层叠不一样、通流平面也不一样,而这些都是会引起电源系统的不一致。
在电源系统设计中,通常都会有很多类型的电容存在,如一个电源系统中会有100μF、47μF、22μF、10μF、1μF、0.1μF等类型的电容,这么多类型的电容是否可以统一为某一种类型的电容呢?如图所示,以电容的阻抗曲线为例,进行说明。


增加不同电容值的电路阻抗曲线图
通过上面两张图对比可以看到,如果都使用相同类型的电容,虽然阻抗更低,但是去耦频率范围几乎没变化;如果使用不同种类的电容,则可以增大去耦频率范围。
在电源系统中并不是电容越多越好,在某些系统中如果电容多了反而会导致新的噪声点出现。
ESR对并联电容幅频特性的影响
阻抗的峰值与电容器的ESR的值成反比,随着单板设计水平与器件性能的提高
并联电容的阻抗的峰值将会随着ESR的减小而增加,并联谐振峰值的形状与位置取决于PCB板的设计与电容的选择。
有几条原则应该了解:
1、随着ESR的减小,谐振点的阻抗会减小,但反谐振点的阻抗会增大:
2、n个相同电容并联使用时,最小阳抗口能小干ESRIn:
3、多个电容并联时,阻抗并不一定发生在电容的谐振点;
4、对于给定数量的电容器,比较好的选择是电容值在一个较大的范围内均匀展开,各个电容值的ESR适中:比较差的选择是仅有少量的电容值,而且电容的ESR都非常小。
ESL对并联电容幅频特性的影响
电容封装和结构不同,ESL也不同,几种典型封装电容的ESL如表所示。

电容的ESL与电容值一起决定电容器的谐振点与并联电容器的反谐振点的频率范围。在实际的设计中,应该尽量选用ESL小的电容器。
电容器的选择
对于RF设计而言,陶瓷电容器、聚酯纤维电容器和聚苯乙烯薄膜电容器都是很好的选择。对于EMI滤波器来讲,对电容器的介质材料要求并不高,常见的X7R、Y5V和Z5U等松散介质都是不错的选择:通常绝对的电容值、电容器的温度系数、电压变化系数等并不重要。不同种类、不同容值的电容滤波范围是不同的,下面是典型的插入损耗比对效果:

由上图可看出,同为0805封装的贴片陶瓷电容,001uF的电容比0.1uF的电容具有更好的高频
滤波特性;建议板极工作频率高于50MHz的单板(如传输、MUSA的多数单板)全部使用0.01uF的滤波电容,而不是我们目前大量采用的0.1uF的滤波电容。

电源输出电容,输入电容
我们通常把电源模块输入、输出回路的电容称为滤波电容。简单理解就是,保证输入、输出电源 稳定的电容。在电源模块中,滤波电容摆放的原则是“先大后小”。如图2.48.1所示,滤波电容按箭头 方向先大后小摆放。

电源设计时,要注意走线和铜皮足够宽、过孔数量足够多,保证通流能力满足需求。宽度和过孔 数量结合电流大小来评估。
电源输入电容

电源输入电容与开关环路形成一个电流环。这个电流环路的变化幅度大,Iout的幅度。频率是开关频率。DCDC芯片开关过程中产生,这个电流环产生的电流的变化,包含了较快的di/dt。
同步BUCK的方式,续流路径要经过芯片的GND管脚,输入电容要接在芯片的GND和Vin之间,路径尽可能短粗。

这个电流环面积足够的小,这个电流环对外辐射就会越好。
去耦电容与旁路电容
1、以供应商提供的产品资料上的自谐振特性为基础选择电容,使之符合设计的时钟速率与噪声频率的需要。
2、在所需要的频率范围内加尽可能多的电容。例如,22nF的电容的自谐振频率将近为11MHz,有用的阻抗(Z1欧姆)范围为6M~40MHz,你可以在该频带范围内加尽可能多的电容,以达到需要退耦的水平。
3、在尽可能靠近IC每个电源管脚的地方,至少放一个去耦电容器,以减小寄生阻抗。
4、旁路电容与IC尽可能放在同一个PCB平面上。有一个需要特别注意的地方:在两种布局中,Vcc网络都只有一个点连到Vcc平面。这样做,使得IC内外的噪声都必须通过这个唯一的过孔走到电源平面上去,过孔的附加阻抗帮助避免了噪声向系统其余部分的扩散。

5、对于多时钟系统可以将电源平面作图3-14所示的分割,对每一个部分使用一种正确容值的电容器,被狭缝分隔的电源平面将一部分的噪声与其他部分的敏感器件分隔开来,同时提供了中容值的分离;
6、对于时钟频率在一个较宽的范围内变化的系统,旁路电容的选择甚为困难。一个较好的解决方法是将两个容值上接近2:1的电容并联放置,这样做可以提供一个较宽的低阻抗区,和一个较宽的旁路频率,下面这张图可以看到,阻抗峰值仍然产生了,但却小于15欧,而可用的频率范围(阻抗小于15欧)则扩展到将近3.25MHz到100MHz的范围,这种多退耦电容的方法只在一个单独的IC需要一个较宽的旁路频率范围而且单个电容无法达到这一频带时才使用。而且,容值必须保持2:1的范围内,以避免阻抗峰值超过可用的范围。

高速 IC的电源引脚需要足够多的去耦电容,最好能保证每个引脚有一个。实际设计中,如果没 有空间摆放去耦电容,则可以酌情删减。
IC 电源引脚的去耦电容的容值通常会比较小,如 0.1μF、0.01μF 等;对应的封装也比较小,如 0402封装、0603封装等。在摆放去耦电容时,应注意以下几点。
(1)尽可能靠近电源引脚放置,否则可能起不到去耦作用。理论上讲,电容有一定的去耦半径范 围,所以应严格执行就近原则。
(2)去耦电容到电源引脚引线尽量短,而且引线要加粗,通常线宽为8~15mil(1mil = 0.0254mm)。加粗目的在于减小引线电感,保证电源性能。
(3)去耦电容的电源、地引脚从焊盘引出线后,就近打孔,连接到电源、地平面上。该引线同样要 加粗,过孔尽量用大孔,如能用孔径10mil 的孔,就不用8mil的孔。
(4)保证去耦环路尽量小。去耦电容常见的摆放示例如图2.48.2~图2.48.4所示。图2.48.2~图2.48.4所示是SOP封装的IC 去耦电容的摆放方式,QFP等封装的与此类似。

常见的 BGA封装,其去耦电容通常放在 BGA下面,即背面。由于 BGA 封装引脚密度大,因此去 耦电容一般放的不是很多,但应尽量多摆放一些,如图2.48.5所示。

储能电容的设计
储能电容可以保证在负载快速变到最重时供电电压不会下跌。储能电容可分为板极储能电容、器件级储能电容两种:
A,板极储能电容:保证负载快速变到最重时,单板各处供电电压不会下跌。在高频、高速单板(以及条件允许的背板),建议均匀排布一定数量的较大容值的钽电容(luf、10uf、22uf、33uf),以保证单板同一电压的值保持一致。
B,器件级储能电容:保证负载快速变到最重时,器件周围各处供电电压不会下跌。对于工作频率、速率较高、功耗较大的器件,建议在其周围排放1-4个较大容值的钼电容(luf、10uf、22uf、33uf),以保证器件快速变换时其工作电压保持不变。
储能电容的设计应该与去耦电容的设计区别开来。有以下设计建议:
1、当单板上具有多种供电电压时,对一种供电电压储能电容仍然只选用一种容值的电容器,一般选用表贴封装的Tantalum电容(钽电容),可以根据需要选择10uf、22uf、33uf等;
2、不同供电电压的芯片构成一个群落,储能电容在这个群落内均匀分布,如下图所示:

储能电容的作用就是保证IC在用电时,能在最短的时间内提供电能。储能电容的容值一般比较 大,对应的封装也比较大。在PCB中,储能电容可以离器件远一些,但也不能太远,如图2.48.6所示。常见的储能电容扇孔方式,如图2.48.7所示。

电容扇孔、扇线原则如下。
(1)引线尽量短且加粗,这样有较小的寄生电感。
(2)对于储能电容,或者过电流比较大的器件,打孔时应尽量多打几个。
(3)当然,电气性能最好的扇孔是盘中孔。实际需要综合考虑
滤波电路中电容的运用
EMC滤波器通常指由 L,C构成的低通滤波器。不同结构的LC滤波器其区别在于电容与电感的连接方式的不同。LC滤波器的有效性不仅与其结构有关,而且还与连接网络的阻抗有关。如单个电容的滤波器在高阻抗电路中效果很好,而在低阻抗电路中效果很差。传统上,在滤波器两端的端接阻抗为 50 欧姆的条件下描述滤波器的特性,但是实践中源阻抗Zs和负载阻抗Zi又非常复杂,并且它在要抑制的频率点上可能是未知的。如果滤波器的一端或两端与电抗性元件相联结,则有可能会产生谐振,使某些频率点的插入损耗变为插入增益。
如图所示,一信号通路中,L 与 C 组成一低通滤波电路,由于在某一频点的源阻抗 Zs 和负载阻抗 Zi 不可知,在使用时我们要避免参数组合后,将有用的频率成分滤掉。在很多案例中,工程师往往比较青睐于使用102,104 容值的电容,没有经过计算,有时可能适得其反。
通常电容的谐振是不会单独存在的,一般电容的自谐振是由电容与自身引脚的等效电感或连接电容的导线形成的电感组成。我们在实际工作中根据计算公式可知:
F=1/(2*π*√LC)
串联结构的LC在发生谐振时,其两端阻抗最小,相当于短路;并联结构的LC在发生谐振时,两端阻抗最大,相当于开路。如图 1 所示, L与C在产生谐振时,从信号流向分析(红色箭头所示),它是串联谐振,对于串联谐振电路的特性而言,相当于短路。如果LC的谐振频点恰巧是我们想要滤除的干扰频点,那么L和C构成的通路相当于短路,就能很好地达到滤除噪声的目的。

例如在这一信号通路中,其中有用频率为 5MHz,电路中的L值为 1uH,我们要滤除其信号通路上10MHz的干扰信号,就要避免增加的滤波电容C与L的谐振点落在5MHz附近,从而将有用信号滤除。如果根据经验值选择1000pF电容,通过上述谐振公式计算,计算出其谐振点为 5.03MHz,此时L C相当于短路,有用频率通过LC 直接到地,达不到我们需要的效果,反而使电路工作不正常。我们应根据需要滤除的干扰频率来选择适当的电容值,通过谐振频率公式代入计算,C 的取值为 253.3pF, 我们取最接近值即可。还需要注意的是,如果用插脚元件,引脚要尽可能的短,如果可能最好选用贴片器件,其ESL最小。可见,正确选择滤波器的结构和元件参数至关重要。在实际的电路运用中,经验值固然重要,但在某些场合下,经验值是不值得提倡的,尤其在处理有用频率的谐波成分时,一定要通过正确的方法进行估算后再取值。
如图所示,要滤除线束上的噪声干扰信号,优先选用低成本的电容器,有时反而会将某些干扰噪声引至其它路径,从而产生天线效应,导致辐射增强。选用电容时,要清楚地知道电容自身只起到能量的转移,而能量并未被消耗,只有将电容接至低阻抗网络时,才会达到滤波的效果。在实践工作中,电容反向转移的特性往往会被工程师们忽略,大家都会误认为地永远是纯净的,只要接地,都能解决问题,因此接地就成了整改工程师口中的万能良药。如下图所示

假设信号线上有10dBm的电磁噪声需要滤除,通常情况下首先会想到用电容进行滤波处理,此时,电容需要转移的地,就一定要被关注,地是否干净,是否低阻,是否存在地弹效应,是否会引起环路效应等等。假设地上的噪声能量甚至比滤波对象的能量还要高,此时增加电容,就是会将地上的噪声反向转移至信号线上,信号线就成了最理想的辐射媒介。
共模电容
"共模电容"通常指的是差分信号中的共模电容,它是电路中一个重要的参数,特别是在差分放大器和通信系统中。
在一个差分信号中,有两种信号:差模信号和共模信号。
1.差模信号(Differential Mode Signal): 这是两个输入信号的差异部分,即两个信号的代数差。
2. 共模信号(Common Mode Signal): 这是两个输入信号的平均值或共同部分。
共模电容指的是信号对地的共模部分的电容。这个电容对于一些电路来说可能是有害的,尤其是在差分放大器中。在理想情况下,差分放大器只放大差模信号,而不对共模信号产生响应。然而,实际电路中总会存在一些不完美,其中一个影响是共模电容。
共模电容可能导致一些问题,比如:
共模噪声(Common Mode Noise): 如果输入信号中有共模噪声,共模电容可能导致这些噪声被放大,从而影响电路的性能。
共模抑制比(Common Mode Rejection Ratio,CMRR): 这是衡量差分放大器对共模信号的抑制能力的一个重要指标。共模电容的存在可能会影响CMRR,使得差分放大器对共模信号的抑制能力降低。

如图1,3为差模电容,2为共模电感,4为共模电容。
一般滤波器不单独使用差模线圈,因为共模电感两边绕线不一致等原因,电感必定不会相同,因此能起到一定的差模电感的作用。如果差模干扰比较严重,就要追加差模线圈。
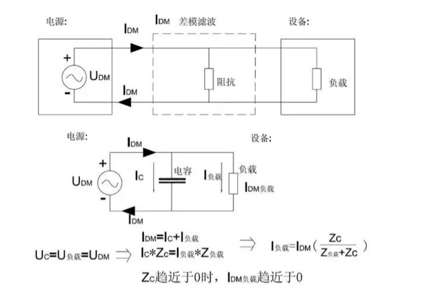
差模电容

可以看到,电容特性低频率高阻抗高频率低阻抗。滤波器利用电容在高频时它的低阻抗短路掉差模千扰。(如图下图所示: )当频率为50Hz时,电容阻抗趋近于无穷大,相当于短路,不起任何衰减作用当频率为500kHz时,电容阻抗很小,根据上式可以看到差模负载的电流衰减为趋近于0如当频率为500kHz时负载50欧容抗0.05欧。
此时电容分得了99.9%的差模干扰电流,而负载只分得了0.1%的差模干扰电流也就是说500kHz时,电容使得差模干扰下降了30dB。
发布日期: 2024-10-08
发布日期: 2023-12-15
发布日期: 2025-01-14
发布日期: 2024-04-25
发布日期: 2026-01-12
发布日期: 2025-02-17
发布日期: 2023-11-22
发布日期: 2024-06-27
发布日期: 2026-01-28
发布日期: 2026-01-28
发布日期: 2026-01-28
发布日期: 2026-01-28
发布日期: 2026-01-28