新闻资讯

5G商用接近两年,截至今年8月中旬,全球共推出176个商用5G网络。而中国已经建成全球最大的5G网络。今年世界电信日前夕,工信部公布了一组最新数据:中国大陆累计建成5G基站超81.9万个,约占全球总数的70%;5G手机终端用户连接数达到2.8亿,占全球比例超过80%。根据GSMA的预测,到2025年,5G网络将覆盖世界三分之一的人口,5G应用将对移动行业及其客户产生深远的影响。
5G网络是新一代移动通信技术,在智能手机和其他设备上提供比以往更快的速度和更可靠的连接。由于5G具有支持高带宽和低延迟应用的创新特性和功能,因此有必要添加大量新的射频(RF)组件以支持新的无线电频段和组合。对于应用广泛的Sub 6 GHz频段来说,每年都会扩展新的频段来支持不同的终端应用。新频段的加入,使多模式多频段(MMMB)的智能手机能够支持更多的通信制式,具有更好的使用体验,但同时也使智能手机射频前端(RFFE)的复杂度大大增加。与4G智能手机相比,支持5G模式手机除了频段扩展外,还需要向下兼容,所需的滤波器和通道数量随之大幅度增加。

图1 新的频段不断扩展以支持不同的终端应用

图2 5G手机所需的滤波器和通道数量大幅度增加
在通信设备中,射频信号处理单元负责信号的发送与接收,包含射频收发器、天线、射频前端模组(FEM)等。其中,射频前端模组是无线连接的核心,它由一系列器件构成,包含功率放大器(PA)、滤波器(Filter)、切换开关(Switch)、双工器(Duplexer)和低噪声放大器(LNA)等,分别对应不同的射频信号处理功能。
其中,滤波器是射频前端中最重要的分立器件,它的主要作用是使信号中特定频率成分通过而极大衰减其他频率成分,从而提高信号的抗干扰性及信噪比。目前,在手机射频市场中主要采用声学滤波技术。根据制造工艺的不同,声学滤波器又分为声表面波滤波器(SAW)和体声波滤波器(BAW)两大类。由于工艺复杂度、技术以及成本的限制,当前通信标准下更多的射频前端采用了SAW滤波器。随着5G渗透率的提升,BAW滤波器优异的性能以及对高频的支持有望使其成为手机射频前端的主流器件。
在实际应用中,滤波器和双工器是射频前端模组的基础器件,使用量非常大。根据Yole预测,在射频前端市场中,滤波器的价值占比超过50%,2017-2023年滤波器复合增速约为19%,超过整体需求约14%的平均增速。
迅速增加的频段和射频器件数量为智能手机带来了挑战,除了复杂度的提升以外,对射频器件占用空间的逐步压缩和载波聚合的应用,使得传统的分离式射频器件越来越难以满足新的需求,射频器件模组化已成行业发展趋势。依据不同需求,射频前端模组的构成也有所差别,下图为几种典型的原理框图。其中开关的控制接口是标准化的MIPI 接口。

图3 典型的射频前端模组原理框图
不同形态模组的端口数从几个至几十个不等。针对多端口器件的测试,尤其是大批量生产测试,一个优秀的测试方案,除了确保完整的电性能测试,还需在效率和时间成本之间达到最佳平衡。在实际应用中,我们能否找到这样完美的测试解决方案呢?
答案是肯定的,而且还是两种,你完全可以根据实际需求实现优中选优。
R&S多端口矢量网络分析仪是射频前端多端口测试的最佳选择
针对射频前端多端口器件的测试,R&S提供了两种形式的多端口矢量网络分析仪。

图4 R&S ZNBT以及R&S ZNB + ZN-Z84是两款专门针对射频前端多端口器件的测试方案
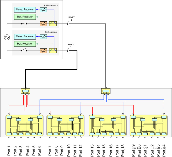
这是一款真正的多端口矢量网络分析仪,能够提供最多 24个集成式测试端口。它可以并行测试多台被测设备(DUT),或测量一台最多达24个端口的被测设备。正是因为 ZNBT的高集成度,使其迅速成为一款业界领先的紧凑型射频前端模组测试解决方案。即便在带有多个端口的情况下,R&S ZNBT也只需要很短的测量时间,并保持稳定的性能。
此外,由于每个测试端口都配备了一个反射计(Reflectometer),这一设计有效消除了测试端口和测量接收机之间的损耗。因此,ZNBT拥有宽动态范围、高输出功率、低跟踪噪声等特性。在多端口测量中,具有高度稳定性、重复性和精确度。
在该方案中,矢量网络分析仪 ZNB在速度、动态及稳定性方面非常优异。通过开关矩阵扩展端口数量, ZNB最多可进行48个端口测量。更重要的是, ZNB 内置了开关矩阵的软件驱动,包含速度优先和性能优先工作模式,可自动完成对应测试端口的切换功能。另外, ZNB具有去嵌入功能,为DUT提供真实运行环境的测试条件。
从硬件结构上看, ZNBT的每个端口都配置两个独立的接收机,并接入内置信号源,所以ZNBT任意2端口的性能指标都与一台相同端口数的通用级ZNB相当。对于多个测试端口,ZNBT可同时输出信号,以完成多个DUT的并行测试,进一步提高测试效率,且多端口应用时速度和各项指标依然保持稳定,不会恶化。

图5 R&S ZNBT多端口矢量网络分析仪硬件结构
ZNB + 射频开关矩阵R&S ZN-Z84,这一经典测试方案,主要借助射频开关矩阵进行端口的扩展,具有低成本优势。缺点是对于多端口器件的测试,需要多次扫描,无法实现并行测试。值得一提的是,由于内置了开关矩阵ZN-Z84的驱动,仅需连接控制线,如USB、LAN或PCIe等,ZNB就会识别并控制开关矩阵ZN-Z84进行自动切换和测试。因此,该方案的实现相对简单,无需编写外部程控软件。

图6 R&S ZNB + 射频开关矩阵R&S ZN-Z84硬件结构
谈到两个方案的共同点,那就是它们都支持射频前端模组的MIPI控制接口,除了输出用户定义的GPIO控制信号外,还可以提供CLK和DC供电,以及测试中要求的电流测试能力。

图7 ZNB 后面板的MIPI 接口
在测试软件方面,ZNB和ZNBT均提供了测试扫描序列编辑功能,支持MIPI对射频测试流程的触发功能,以适应不同测试状态下输出的GPIO控制信号,有效降低了总的测试时间。

分离的射频测试和MIPI 控制方案

ZNB/ZNBT一体化的射频测试和MIPI 控制方案
发布日期: 2024-05-27
发布日期: 2026-02-24
发布日期: 2024-07-24
发布日期: 2024-09-03
发布日期: 2024-07-22
发布日期: 2025-02-26
发布日期: 2024-06-17
发布日期: 2023-12-27
发布日期: 2026-02-24
发布日期: 2026-02-24
发布日期: 2026-02-24
发布日期: 2026-02-24
发布日期: 2026-02-24