新闻资讯
压缩机是汽车空调的一部分,它通过将制冷剂压缩成高温高压的气体,再流经冷凝器,节流阀和蒸发器换热,实现车内外的冷热交换。传统燃油车以发动机为动力,通过皮带带动压缩机转动。而新能源汽车脱离了发动机,以电池为动力,通过逆变电路驱动无刷直流电机,从而带动压缩机转动,实现空调的冷热交换功能。
电动压缩机是电动汽车热管理的核心部件,除了可以提高车厢内的环境舒适度(制冷,制热)以外,对电驱动系统的温度控制发挥着重要作用,对电池的使用寿命、充电速度和续航里程都至关重要。

图1 电动压缩机是电动汽车热管理的核心部件
电动压缩机需要满足不断增加的需求,包括低成本、更小尺寸、更少振动和噪声、更高功率级别和更高能效。这些需求离不开压缩机驱动电路的设计和优秀器件的选型。
电动压缩机控制器功能包括:驱动电机(逆变电路:包括ASPM模块或者分立器件搭载门极驱动,电压/电流/温度检测及保护,电源转换),与主机通讯(CAN或者LIN ,接收启停和转速信号,发送运行状态和故障信号)等,安森美(onsemi)在每个电路中都有相应的解决方案(图1)。本文重点探讨逆变电路ASPM模块方案。

图2 电动压缩机驱动电路控制框图
汽车级智能功率模块(Automotive Smart Power Module,ASPM)是一种集成了功率半导体器件、驱动电路和控制电路的模块化解决方案,旨在提供高效、可靠、紧凑的电力转换和控制。


图3 安森美(onsemi)的ASPM27(左)和ASPM34(右)
ASPM汽车级智能功率模块的优势
ASPM模块功率芯片和 IC 芯片被直接焊接到铜质的引脚框架上,接着用陶瓷覆盖引脚框架,最后放到环氧树脂中浇铸成型。相比分立方案来说大大减小了寄生电感,减少了整体设计的器件的数量和PCB 板所需的面积,提供高绝缘耐压并能维持良好散热性能。

图4 ASPM内部结构
1.成本
在成本上如果单独比较ASPM模块和分立器件的器件成本,模块的成本会更高。但从整个系统成本来说,考虑到PCB、机械安装、质量和性能成本,系统功率越高,使用ASPM模块会更有优势。
2.热性能

图5 ASPM的热性能优势
在电动压缩机的设计中,散热特性是一个关键因素,它直接影响到模块的电流承载能力。因此,封装的散热特性在决定其性能表现时至关重要。在散热特性、封装尺寸以及隔离特性之间存在着权衡关系。优秀的封装技术的关键在于,优化封装尺寸,同时保持卓越的散热性能,而不牺牲隔离等级。
以650V ASPM27系列为例,这些模块采用了DBC(覆铜板)基板技术,带来了良好的散热性能。功率芯片直接贴装在DBC基板上,使得热量能够更有效地从芯片传导至外部,从而提高了散热效率和可靠性,这对于维持功率模块在大电流工作下的长期稳定性和延长使用寿命至关重要。
因为温度直接影响产品的性能、可靠性和寿命,所以大多数设计者都希望精确了解功率芯片的温度。然而,由于封装内部的功率芯片(如IGBT、FRD)是在高压条件下工作的,直接测量其温度变得较为困难。过去,由于成本和技术原因,设计者往往不是直接测量功率芯片的温度,而是采用外置的NTC热敏电阻去检测模块或散热器的温度,这种方法虽然简单,但并不能准确反映功率组件本身的温度情况。而在1200V ASPM34系列中,设计上的一大创新点就是将NTC热敏电阻与功率芯片集成在同一陶瓷基板上,实现在模块内部进行温度采样。这样一来,就能够更加准确地反映出功率芯片的实际温度状况,让开发人员清楚的知道模块内部温度裕量,并在系统控制中做相应的措施,比如在低转速时,系统散热不好导致模块温度过高,可以适当提高频率,加强散热;或者在高频大功率时适当降低频率或者做过温停机保护。安森美的ASPM模块的开关频率设计高达20kHz以上(ASPM27-V3可达40kHz,FS4的IGBT开关速度更快,开关损耗更低),可以轻松应对现有电动压缩机15000转/分钟以下的转速采样要求。

图6 ASPM27内部电路框图
3.功率密度
ASPM相比分立IGBT方案极大程度的降低了线路电感,无需考虑分立器件间的电气安全距离;引脚与散热面间高达2500V的绝缘,无需像IGBT那样必须额外增加绝缘垫片。且安装方便,可靠性高。

图7 ASPM方案对比分立IGBT方案的功率密度
4.可靠性
ASPM模块集成了优化的保护电路和与IGBT开关特征相匹配的驱动,可以为开发者极大的缩短电路匹配和开发时间。通过集成欠压保护功能和短路保护功能,系统可靠性得到了很大程度的提高。内置高速HVIC具备抵抗dv/dt和负压的能力,提供了一种无需光耦隔离的IGBT驱动能力。集成的 HVIC允许使用无需负电源的单电源驱动的拓扑。

图8 HVIC具备抵抗dv/dt和负压能力
要实现更高的可靠性,可以尽量减小不同材料间CTE的mismatch。安森美的ASPM模块通过AEC-Q和AQG324认证,分立器件是按照AECQ100/101进行认证的。我们也可以考虑根据客户特定的要求进行一些特殊的可靠性测试。
趋势和挑战
为高压环境下的电动压缩机选择功率器件时需要考虑到裕量的概念,以确保有足够的安全余地应对各种条件下的电压波动和瞬态事件。
裕量通常是基于以下几种考虑:
1.稳态电压裕量:在正常工作状态下,考虑到电压波动、负载变化等因素,设计时通常会让实际工作电压低于功率器件标称耐压值,比如如果电池系统最高电压为400V,则650V耐压的器件提供了250V的电压裕量。
2.瞬态电压裕量:在开关操作或电网异常等情况下,可能会出现瞬间的电压尖峰,此时裕量用来保证在这些短暂但强烈的电压冲击下,器件不会被击穿。
3.可靠性裕量:长期运行过程中,功率器件的耐压性能可能会因为温度、老化等因素逐渐下降,因此提供足够的电压裕量有助于延长器件寿命,提升整个系统的可靠性。
650V耐压的功率器件在应用于峰值电压接近其额定值的系统时,设计者需要仔细评估电压裕量是否足够,确保在所有预期的操作条件下,功率器件都能安全稳定地工作。随着电动汽车技术的发展,电池电压平台不断上升,有些车企的400V平台的峰值电压达到了500V以上,当原有的650V ASPM模块在新的应用场合下裕量不足时,就会推动市场和技术向更高耐压等级如750V的ASPM模块发展。
在800V平台,由于乘用车压缩机尺寸比较小,选用1200V 模块时PCB设计难度相对较大,因为小型化的压缩机内部空间有限,设计高电压等级的PCB布局时需要确保关键元器件之间有足够的电气安全距离,这对于高密度封装的功率模块来说是一项挑战。模块在高电压下工作时产生的损耗更大,需要高效的散热方案,而小型化设计可能限制了散热面积和散热路径的设计,增加了热管理设计的复杂度。高电压等级意味着更高的电磁干扰风险,需要更加细致的PCB走线设计和屏蔽措施,以符合相关电磁兼容标准。还需确保在高电压水平下,PCB的绝缘性能达标,防止爬电、击穿等问题的发生。高电压和大电流传输所需的线路宽度、间距以及层数都可能增加,同时也需要考虑降低寄生参数的影响,如电感和电阻,以优化开关性能和减少损耗。针对这些挑战和需求,安森美即将推出下一代更小尺寸的1200V模块,内部集成最新的FS7 IGBT,解决上述挑战,实现更优化的性能,面积缩小了36%,并且还提高了绝缘耐压特性,为电动压缩机控制器的设计带来更多提升。
电路设计和PCB布局Tips

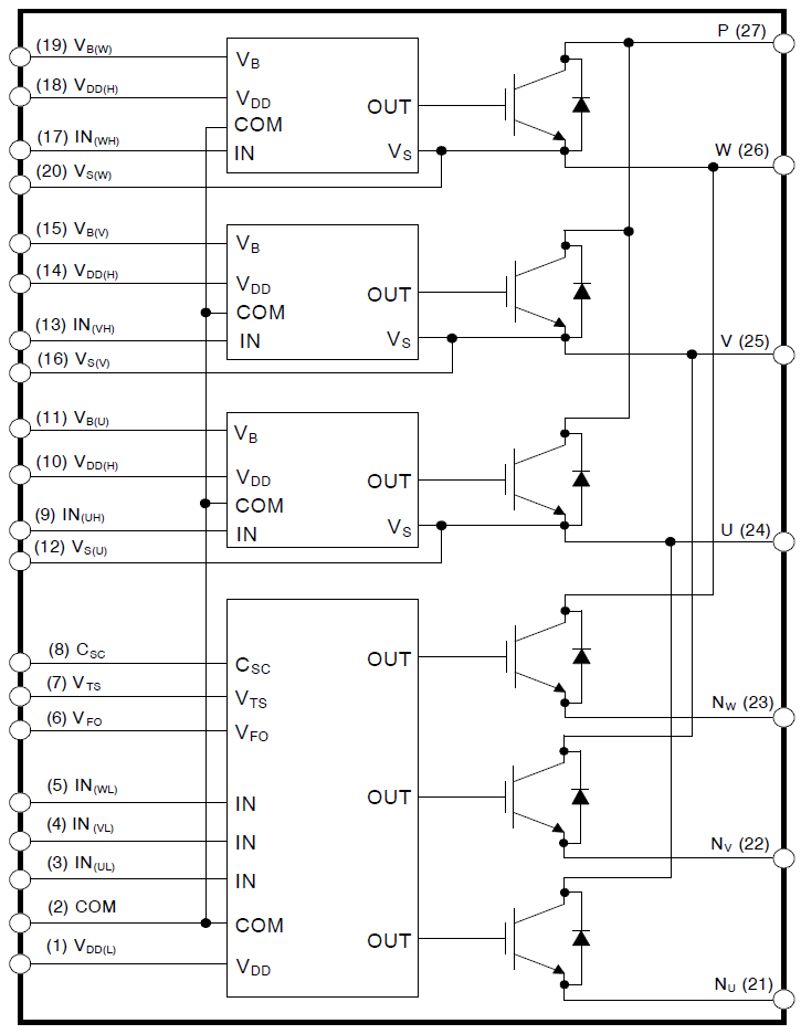
图9 650V ASPM27系列应用电路图
对于PCB layout的设计建议:
1.设计时建议功率地和数字地单点接地,接地线尽量短且不能太宽;
2.采样电阻距离Nu,Nv,Nw引脚应该尽量的短,减少走线带来的寄生电感;
3.Csc保护RC的走线应该尽量的短,且滤波电容的地最好接到控制地而非功率地;
4.PN两端的吸收电容放在距离模块越近,对IGBT产生的Vce尖峰吸收效果越好;
5.自举电容和稳压管放置在距离模块引脚最近的地方,每一路之间应考虑电气间隙和爬电距离要求;自举电容的充放电让其本身成为一个干扰源,应注意他与其他易被干扰的弱电电路之间的距离;
6.模块供电电容也应尽量靠近模块引脚;
7.输入控制信号Vin的RC都应靠近模块引脚,而非mcu,确保输入到模块内部的信号是干净的。

图10 650V ASPM27 PCB布局设计
发布日期: 2024-05-23
发布日期: 2024-08-21
发布日期: 2024-08-21
发布日期: 2024-04-22
发布日期: 2024-05-29
发布日期: 2026-01-22
发布日期: 2023-11-30
发布日期: 2024-10-22
发布日期: 2026-01-28
发布日期: 2026-01-28
发布日期: 2026-01-28
发布日期: 2026-01-28
发布日期: 2026-01-28